QGAII QGBII 系列气缸
图形符号
特点:
*设计采用“ISO”国际标准,新的缓冲结构和新的密封形式,性能先进可靠,寿命长久耐用。
*QGB||带可调缓冲,QGA||无缓冲装置。活塞杆表面镀铬。
*多种安装形式,使用安装方便,应用广泛。活塞运动速度50~500mm/s。
基本参数:
注:超出行程范围可协商加工
型号说明:
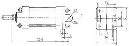
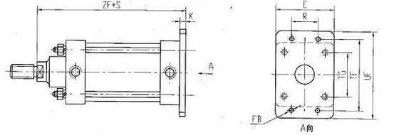
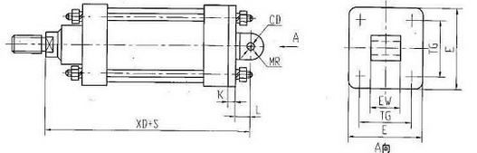
前法兰式MF1
后法兰式MF2
尾部单耳式MP4
尾部双耳式MP2
脚架式MS1
中间摆轴式MT4
推荐资讯 / Recommended News
- 【2025-09-28】油缸内部进空气的原因油缸厂家来为您讲讲
- 【2025-09-25】山东油缸生产厂家来讲讲导致油缸爆裂的原因
- 【2025-09-23】异物进入液压油缸的清理方法,液压油缸生产厂家带您详细了解
- 【2025-09-22】油缸拆卸的准备工作油缸生产厂家为您讲解





